
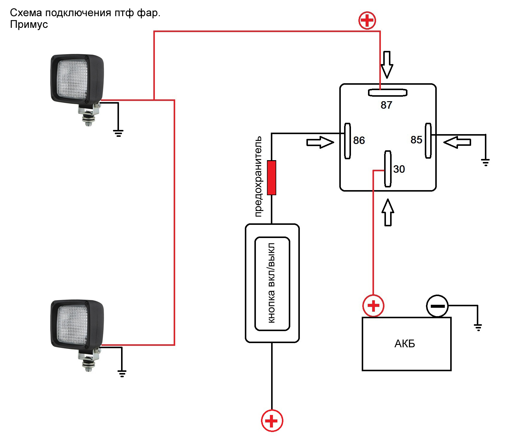
пы сы: между 30 клемой ставьте предохранитель который идет на "АКБ"
ОБЪЕДИНЕННЫЙ ФОРУМ ВНЕДОРОЖНИКОВ 4x4Вы зашли по адресу multisport.primkray.ru |
4X4.SU — Полный привод начинается ЗДЕСЬ !· 4x4Trek · BRITANICA-AUTO · Mattrazz Trophy · |

RussoBalt писал(а):а записаться к тебе мона? хочу тоже фары!
ибо вера в электриков угасла....вчера пересал(именно перессал) работать моторчик в бачке омывателя..я поехал в сервис..
думаю вопрос три копейки и пять минут...
так мене держали два часа..припояли проводок шо отвалился и сняли стружку в 3000р!!!мать их...
занал ба сам покапался...тока паяльник у отдолжыл бы у запасливого Олега...

Примус писал(а):да ладно Вам, Я шь то просто а нэ для брыфынга!
3WHouse писал(а):Примус писал(а):да ладно Вам, Я шь то просто а нэ для брыфынга!
подумай всёже на счёт азс (автомат защиты сети) - меньше проводов, нет реле..
Примус писал(а):ты про это
Примус писал(а):Адрес: Химки Мо, 141400, Ленинский проспект, д. 25,
Телефон: (495) 572-02-45, (499) 707-76-61, Факс: (495) 572-02-45,
вот тут много чего есть,
http://msksnab.ru/product_list/group_193051

3WHouse писал(а):дану на..
азс рулит
себе буду все переделывать.(
Примус писал(а):Виталь а какой ты будешь брать "5-10-15А"
Сейчас этот форум просматривают: нет зарегистрированных пользователей и гости: 12
![]() ![]() |
форум с прочитанными/непрочитанными темами | ![]() |
форум содержит подфорумы | ![]() |
закрытый форум |
![]() ![]() |
прочитанная/не прочитанная тема | ![]() ![]() |
объявление/прилепленная тема | ![]() |
закрытая тема |
![]() |
популярная тема | ![]() |
в этой теме есть ваши сообщения | ![]() |
перенесённая тема |